DEFLECTEUR DEVILLE 7836 7865 7866 7867 7868 7887 7888 7861 7870 P0047205
Pièce détachée Deville - Déflecteur P0047205 pour Insert Bois DEVILLE CO7836 CO7865 CO7866 CO7867 CO7868 CO7870 CO7887 CO7888 CO7861 C07863 CO7870, CO7894. — Marque : Deville Ménager éclaté CO7867PT09
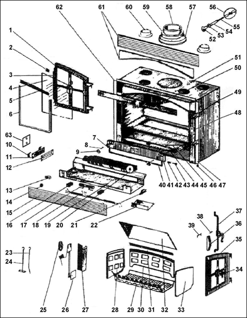
FICHE TECHNIQUE — DEFLECTEUR DEVILLE 7836 7865 7866 7867 7868 7887 7888 7861 7870 P0047205
Pièce détachée deville - déflecteur p0047205 pour insert bois deville co7836 co7865 co7866 co7867 co7868 co7870 co7887 co7888 co7861 c07863 co7870, co7894.
EQUIPEMENT :
Pour les modéles anciens, ce deflecteur vient remplacer les 2 demis-déflecteurs en fonte ref P0018616 qui ne sont plus fabriqués. Dimensions : 60.5 x 30 - Pièce certifiée d'origine Deville
Accessoires & options
Accessoires en options : | ||
---|---|---|
Equerre support deflecteur Deville P0046165 | 36,00 EUR | |
PLAQUE ARRIERE DEVILLE P0021588 POUR MODELES 7865 7867 7868 7870 7887 7888 7836 EX 18621 | 78,00 EUR |
Ce produit est présent sur les éclatés suivants :
- Numéro 32 sur l’éclaté CO7867PT09 (FOYER INSERT BOIS DEVILLE CO7867.PTxx)
Éclaté : FOYER INSERT BOIS DEVILLE CO7867.PTxx
