Toutes les commandes d'articles en stock passées avant 14H sont expédiées le jour même (jours ouvrés)

Plaque support bulbe P0017803

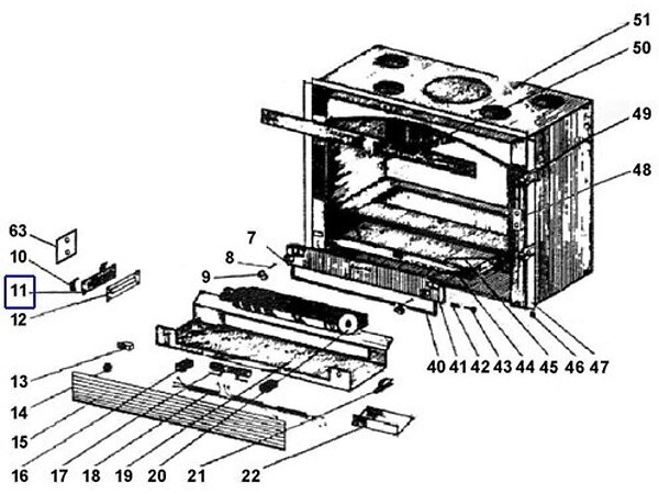
Plaque support bulbe pour insert bois Deville c07867.ptxx — Marque : Deville Ménager

Plaque support bulbe P0017803
Visuel non contractuel
Informations principales
Marque Deville Ménager
Réf. usine : P0017803